Reference: vegawave-62
Brand: VEGA
Reference: vegawave-62
Brand: VEGA
Reference: ERTM-50-D-I4-C2
Brand: Opkon
Reference: RTL-30-A-5K-C1
Brand: Opkon
Reference: VEGAVIB 62
Brand: VEGA
Banner
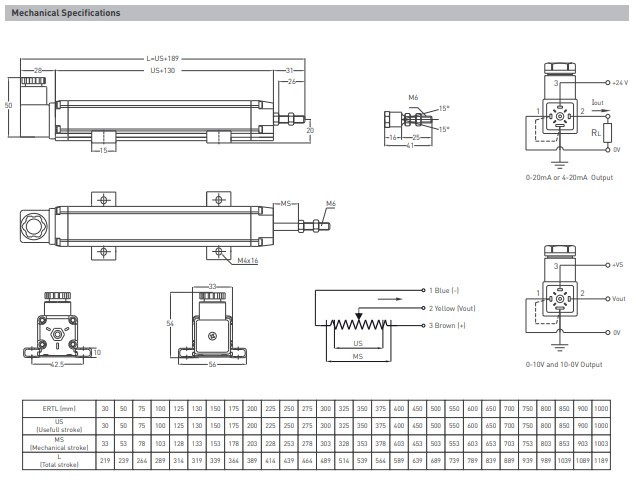
ERTL — linear potentiometer with analog output signal 4-20 mA OPKON
(edit with the Customer Reassurance module)
(edit with the Customer Reassurance module)
(edit with the Customer Reassurance module)
Precision Linear Position Sensors for Industrial Applications
Linear potentiometers are displacement transducers that convert the linear motion of a rod or shaft into an electrical signal that represents its position. These linear position sensors (also called linear potentiometric transducers or linear position rulers) allow accurate measurement of an object’s position within the specified stroke range of each model.
Their operating principle is based on voltage division across a hybrid conductive film, ensuring excellent linearity and long-term reliability. Depending on the installation environment, several housing types and mounting styles are available.
Device type: Linear potentiometer (position transducer) with inverted output signal
Measuring range: 30 – 1000 mm
Output signals:
– 4–20 mA or 0–10 V (standard)
– 20–4 mA or 10–0 V (inverted)
Very stable output with minimal noise
Extremely low temperature drift
Excellent repeatability and reliability
Robust construction for industrial environments
Ideal for use in:
Industrial automation and process control
Hydraulic and pneumatic cylinder position feedback
Machine tools and injection molding machines
Presses, lifts, and linear actuators
Robotics and testing systems requiring precise linear displacement measurement

Data sheet
Specific References
Your review appreciation cannot be sent
Report comment
Report sent
Your report cannot be sent
Write your review
Review sent
Your review cannot be sent
Reference: lps
Brand: Opkon
Reference: ERTM-50-D-I4-C2
Brand: Opkon
ERTL — linear potentiometer with analog output signal 4-20 mA OPKON
check_circle
check_circle